
Miniature Bearings Australia
KF040M-016-TTPL-BR - Datasheet
MBA
Category Information
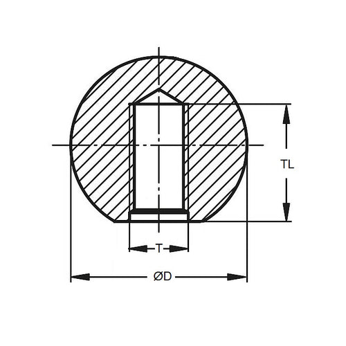
Knobs - Ball - Female Threaded - ThermoplasticThermoplastic Female Threaded Ball Knobs. With moulded plastic threads, or metalic threaded inserts - brass or steel
- An expanded range may be available on special order. Please enquire.
Product Data
- Thread or Hole Size : M4 (4x0.7mm)
- Diameter
16.00
mm
(Equiv. 0.63 in.) - Thread Type Brass
- Material Thermoplastic
Product Compliance and Data
Additional Resources
Cross References
- Reid Tool® RST-9
- RST9


