
Miniature Bearings Australia
AU72RS - Datasheet
MBA
Category Information
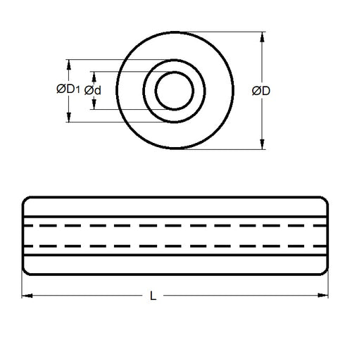
Rollers - Urethane LengthsUrethane Lengths Rollers. Low cost alternative for making your own wheels, castors, rollers, sheaves etc. Urethane rod with dual hardness. Harder inner sleeve with softer outside for use as a roller.
- Blue outer tyre 90A Durometer bonded to a hard brown 75D Durometer inner sleeve
- This results in a hard anti friction bearing surface inside with a soft tyre outside
- The roller can be cut and machined to suit your purposes
- Testing for your application is recommended
Product Data
- Outside Diameter
:
76.20
mm
(Equiv. 3 in.) - Length
304.80
mm
(Equiv. 12 in.) - Inside Diameter
12.7
mm
(Equiv. 0.5 in.) - Hub Section Outside Diameter 38.1 mm
- Material Polyurethane
Product Compliance and Data
Additional Resources
Cross References
- Reid Tool® AU-72
- AU72


