
Miniature Bearings Australia
KF040-016-KOPH - Datasheet
MBA
Category Information
Knobs - Ball - Knock On PhenolicKnock On Phenolic Ball Knobs. Moulded from black phenolic resin.
- An expanded range may be available on special order. Please enquire.
- Light Weight.
- Thermal insulating.
- Non corrosive.
- POK Type have a ribbed insert. Shaft should be 0 to 0.007 mm undersized for best results
- 712 Type suit standard metric rod
Product Data
Deleted Item. Available while stocks last.
Please contact us first if you wish to use this item in a new design so we can check whether production can be resumed.
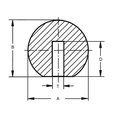
- Thread or Hole Size : 4.00 mm Push On
- Ball Diameter (A)
16.00
mm
(Equiv. 0.63 in.) - Colour Black
- Hole Type Slightly Oversized
- Material Phenolic
Product Compliance and Data
Additional Resources
Cross References
- 712011
- 712-011


