
Miniature Bearings Australia
FS-3RS - Datasheet
MBA
Category Information
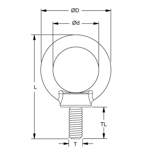
Eye Bolts - Threaded Shank - Shouldered - Carbon Steel - StandardStandard Carbon Steel Shouldered Threaded Shank Eye Bolts. Forged self coloured carbon steel.
- Fastener with a loop or eye at one end, and a fully threaded shank on the other.
- Used to attach ropes or cables to secure or lift objects by screwing the threaded end into a structure, with the loop providing an anchor point.
- Regular eye bolts for vertical lifting and shoulder eye bolts that can handle angled loads.
- Forged self coloured carbon steel.
- Should not be used for angular lifts greater than 45o. Safety swivel hoist rings are recommended for such applications.
Product Data
- Thread Size : 3/8-16 UNC (9.53mm)
- Shank Length
44.450
mm
(Equiv. 1.75 in.) - Eye Inside Diameter
25.400
mm
(Equiv. 1 in.) - Rated Capacity 590 Kg
Product Compliance and Data
Additional Resources
Cross References
- 3014T471


