
Miniature Bearings Australia
YE-8RS - Datasheet
MBA
Category Information
Yoke Ends - ThreadedThreaded Yoke Ends. Linkage connectors with threaded ends.
- A yoke end, also known as a clevis end, is a U-shaped metal fastener used to connect rods, cables, or pipes to a mounting point.
- It's commonly used in lifting, rigging, and other applications where secure attachment and articulation are needed.
- Yoke ends require a clevis pin and cotter pin for secure attachment.
- Drop forged steel machined to SAE standards
- Also see clevis joints
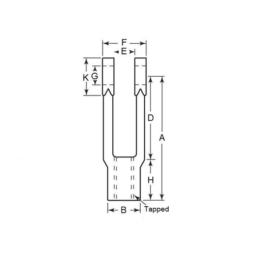
Product Data
- Effective Length (A)
:
153.99
mm
(Equiv. 6.063 in.) - Hub Diameter (B)
31.75
mm
(Equiv. 1.25 in.) - Gap (E) +/- 0.38
20.64
mm
(Equiv. 0.813 in.) - Width (F) +/- 0.38 41.28 mm
- Hole Size (G) +0.25 19.05 mm
- Stud Height (H) (+0.79) 38.10 mm
- Housing Diameter (K) 36.51 mm
- Thread Size 3/4-16 UNF
- Material Steel
Product Compliance and Data
Additional Resources


