
Miniature Bearings Australia
KF048F-017-TPHS - Datasheet
MBA
Category Information
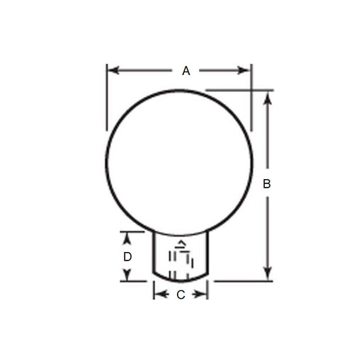
Knobs - Ball - Female Threaded - Phenolic - Shank TypeShank Type Phenolic Female Threaded Ball Knobs. Moulded from black phenolic resin.
- An expanded range may be available on special order. Please enquire.
- Phenolic Ball Knobs with Shanks. To Screw onto threads.
Product Data
- Thread or Hole Size : 10-32 UNF (4.76mm)
- Diameter
16.89
mm
(Equiv. 0.665 in.) - Thread Type Brass
- Shank Height (D) 6.35
- Shank Diameter (C) 9.53 mm
- Height (B) 22.23 mm
- Material Phenolic
Product Compliance and Data
Additional Resources
Cross References
- Reid Tool® DK-345
- DK345


